Light control automatic energy saving LED light circuit
The light control circuit load on the market is all using incandescent lamps. Although it is used at night,stop working during the day, but the electricity bill will be considerable.
The circuit is made of 8 pcs high-brightness white LEDs, which are soft lighting and very power-saving. Now it is the mainstream of the fourth-generation lighting.
(1) Circuit schematic
The schematic diagram of the light-controlled automatic energy-saving LED lamp circuit is shown in Figure 1.

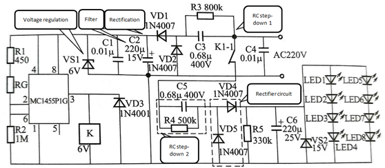
Figure 1
The AC 220V voltage is stepped down by C3, R3 is discharged, VD1 and VD2 are rectified, and C2 and C1 are filtered to obtain smooth DC power. The Zener diode VS1 stabilizes the voltage at 6V DC, supplies power to the chip MC1455P1G, and also supplies power to the photoresistor. During the daytime, the photoresistor RG has a small resistance value under illumination. The 2nd and 6th pins of the MC1455P1G input a high level, the 3rd pin outputs a low level, the relay K does not pull in, and the K1-1 contact does not conduct, 220V. The voltage is not applied to capacitor C5, so the LED does not illuminate.
At night, the photoresistor RG has no light and has a large resistance. The 2 and 8 pins of the MC1455P1G are low level, the 3 pin outputs a high level, the relay K is pulled in, the contacts of K1-1 are turned on at the same time, and the voltage is obtained by C5. After buck, R4 discharge ensures safety, VD4, VDS rectification, C6 filtering, VS2 will regulate the DC voltage at around 15V, and will lit 8 white LEDs. Capacitor C4 filters out high and low AC components and prevents interference with household appliances. RS is the discharge resistance of C6.
Note:
1 There are two RC step-down circuits in the light-controlled automatic energy-saving LED lamp circuit.
2 can also be combined with "electronic energy-saving lamp production" design. By changing the RC step-down circuit of the lamp board to the step-down circuit made by the energy-saving lamp, the light control of the 3.5W LED lamp can be automatically saved.
This article is from Allicdata Electronics Limited. Reprinted need to indicate the source.