| Allicdata Part #: | ISL29125IROZ-T7-ND |
| Manufacturer Part#: |
ISL29125IROZ-T7 |
| Price: | $ 1.03 |
| Product Category: | Sensors, Transducers |
| Manufacturer: | Intersil |
| Short Description: | IC SENSOR LIGHT-DGTL I2C 6-ODFNColor Sensor 16 b I... |
| More Detail: | N/A |
| DataSheet: | ISL29125IROZ-T7 Datasheet/PDF |
| Quantity: | 1000 |
| 1 +: | $ 1.03000 |
| 10 +: | $ 0.99910 |
| 100 +: | $ 0.97850 |
| 1000 +: | $ 0.95790 |
| 10000 +: | $ 0.92700 |
| Series: | -- |
| Part Status: | Active |
| Output: | I²C |
| Resolution (Bits): | 16 b |
| Features: | Interrupt, Auto Power Down |
| Voltage - Supply: | 2.25V ~ 3.63V |
| Current - Supply (Max): | 85µA @ 3V |
| Operating Temperature: | -40°C ~ 85°C |
| Package / Case: | 6-WFDFN |
Due to market price fluctuations,if you need to purchase or consult the price.You can contact us or emial to us: sales@allicdata.com
1. Description
ISL29125IROZ-T7 is a low-power, high-sensitivity red, green and Blue light sensor (RGB) with I2C (SMBus compatible) interface. Its state-of-the-art photodiode array provides a Accurate RGB spectral response and excellent light source Light source changes (LS2LS). ISL29125 is designed for Reject the infrared light in the light source so that the device can be From sunlight to dark room environment. Integration ADC suppresses 50Hz and 60Hz flicker caused by artificial light source. Optional range allows users to optimize Sensitivity is suitable for specific applications. under normal circumstances In operating mode, the device consumes 56µA of current, which reduces to 0.5µA in power-down mode. ISL29125 supports hardware And software user-programmable interrupt threshold. This The interrupt persistence function can reduce false trigger notifications. The device uses 2.25V to 3.63V, I2C power supply (VDD) operation The power supply voltage range is 1.7V to 3.63V, and the entire operating temperature range is -40°C to +85°C range.
2. Features
1. 56µA operating current, 0.5µA shutdown current
2. Selectable range (Via I2C)
3. I2C (SMBus compatible) output
4. ADC resolution 16 bits
5. Programmable interrupt windows
6. Two optical sensitivity ranges
- Range 0 = 5.7m lux to 375 lux
- Range 1 = 0.152 lux to 10,000 lux
7. Operating power supply 2.25 to 3.63V
8. I2C power supply 1.7V to 3.63V
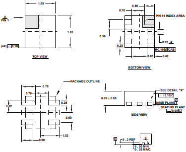
9. 6 Ld ODFN (1.65x1.65x0.7mm) package
3. Applications
1. Smart phone, PDA, GPS, tablet PCs, LCD-TVs, digital picture frames, digital cameras
2. Dynamic display color balancing
3. Printer color enhancement
4. Industrial/commercial LED lighting color management
5. Ambient light color detection/correction
6. OLED display aging compensation
4. Pin Configuration


5. Block Diagram

6. Package Outline Drawing

| Part Number | Manufacturer | Price | Quantity | Description |
|---|
| ISL21009CFB825Z-TK | Renesas Elec... | -- | 1000 | IC VREF SERIES 2.5V 8SOIC... |
| ISL28130ISENSEV1Z | Intersil | 16.59 $ | 1000 | EVAL BOARD FOR ISL28130IS... |
| ISL23315TFUZ-T7A | Intersil | 0.9 $ | 1000 | IC DGTL POT 256POS 100K 1... |
| ISL28414FVZ | Intersil | 0.65 $ | 1000 | IC OPAMP GP 5MHZ RRO 14TS... |
| ISL28430FBZ-T13 | Intersil | 0.88 $ | 1000 | IC OPAMP QUAD RRIO 14SOIC... |
| ISL28227FUZ | Intersil | 1.27 $ | 1000 | IC OPAMP GP 10MHZ 8MSOPGe... |
| ISL21080CIH333Z-TK | Intersil | 0.54 $ | 5000 | IC VREF SERIES 3.3V SOT23... |
| ISL21007CFB820Z | Intersil | 0.0 $ | 1000 | IC VREF SERIES 2.048V 8SO... |
| ISL21009DFB825Z-TK | Renesas Elec... | 0.0 $ | 1000 | IC VREF SERIES 2.5V 8SOIC... |
| ISL21009DFB50ZR5314T | Renesas Elec... | 0.0 $ | 1000 | IC VREF SERIES 5V 8SOICSe... |
| ISL28133FRUZ-T7 | Intersil | 0.0 $ | 1000 | IC OPAMP CHOPPER 400KHZ 6... |
| ISL23415TFUZ | Intersil | 1.33 $ | 1922 | IC DGTL POT 256POS 100K 1... |
| ISL23318TFRUZ-T7A | Intersil | -- | 1000 | IC DGTL POT 100K 1CH 10UT... |
| ISL23318WFRUZ-TK | Intersil | 0.43 $ | 1000 | IC DGTL POT 1CH 10K 10UTQ... |
| ISL23710WIU10Z-T | Intersil | 0.0 $ | 1000 | IC DIG POT 10K 128POS 10-... |
| ISL23711UIU10Z-T | Intersil | 0.0 $ | 1000 | IC POT DIGITAL CONTROL 10... |
| ISL28325FUZ-T7A | Intersil | 0.0 $ | 1000 | IC OPAMP GP 1.2MHZ 8MSOPG... |
| ISL28414FVZ-T13 | Intersil | 0.61 $ | 1000 | IC OPAMP GP 5MHZ RRO 14TS... |
| ISL28110FBZ-T7 | Intersil | 0.88 $ | 1000 | IC OPAMP JFET 12.5MHZ RRO... |
| ISL21009BFB825Z | Renesas Elec... | -- | 1000 | IC VREF SERIES 2.5V 8SOIC... |
| ISL28266FUZ | Intersil | 0.0 $ | 1000 | IC OPAMP GP 250KHZ RRO 8M... |
| ISL23415WFUZ | Intersil | 1.33 $ | 102 | IC DGTL POT 256POS 10K 10... |
| ISL267450AIHZ-T7A | Intersil | 4.76 $ | 1000 | IC ADC 12BIT SPI/SRL 1M 8... |
| ISL26104AVZ-T7A | Intersil | 5.28 $ | 1000 | IC ADC 24BIT SRL 4CH 28-T... |
| ISL28117FUZ-T7A | Intersil | 0.0 $ | 1000 | IC OPAMP GP 1.5MHZ 8MSOPG... |
| ISL28433FVZ | Intersil | 4.3 $ | 750 | IC OPAMP CHOPPER 400KHZ 1... |
| ISL28006FHADJZ-T7A | Intersil | 1.36 $ | 1000 | IC OPAMP CUR SENS 237KHZ ... |
| ISL28025EVAL1Z | Renesas Elec... | 46.38 $ | 1000 | EVAL BOARD FOR ISL28025IS... |
| ISL23418TFUZ-T7A | Intersil | 0.69 $ | 1000 | IC DGTL POT 1CH 100K 10MS... |
| ISL23318TFUZ-T7A | Intersil | 0.69 $ | 1000 | IC DGTL POT 100K 1CH 10MS... |
| ISL23315WFUZ-TK | Intersil | 0.61 $ | 1000 | IC DGTL POT 256POS 10K 10... |
| ISL22426WFV14Z | Intersil | 0.0 $ | 1000 | IC POT DGTL 128TP LN LP 1... |
| ISL22326UFV14Z | Intersil | 0.0 $ | 1000 | IC POT DGTL 128TP LN LP 1... |
| ISL22511UFRU10Z-TK | Intersil | 0.0 $ | 1000 | IC POT DGTL PB 32TP LN LP... |
| ISL267440IUZ-T7A | Intersil | 3.07 $ | 1000 | IC ADC 10BIT SPI/SRL 1MSP... |
| ISL26315FVZ-T7A | Intersil | 3.07 $ | 1000 | IC ADC 12BIT SRL/SPI 16TS... |
| ISL26323FBZ-T | Intersil | 2.44 $ | 1000 | IC ADC 12BIT SPI/SRL 250K... |
| ISL21060CFH625Z-TK | Renesas Elec... | 0.0 $ | 1000 | IC VREF SERIES 2.5V SOT23... |
| ISL28136EVAL1Z | Intersil | 51.98 $ | 1000 | EVALUATION BOARD FOR ISL2... |
| ISL28166EVAL1Z | Intersil | 0.0 $ | 1000 | EVALUATION BOARD FOR ISL2... |
XYZ COLOR SENSOR SMD QFN16 PKGColor Sens...
IC MAX44008EDT+Color Sensor 14 b Gain Co...
IC MAX44006EDT+CHXColor Sensor 14 b Gain...
IC MAX44006EDT+Color Sensor 14 b Gain Co...
IC MAX44006EDT+TCHXColor Sensor 14 b Gai...
SENSOR MODColor Sensor 16 b Gain Control...
ISL29125IROZ-T7 Datasheet/PDF