| Allicdata Part #: | ADM811RARTZ-REEL7TR-ND |
| Manufacturer Part#: |
ADM811RARTZ-REEL7 |
| Price: | $ 0.00 |
| Product Category: | Integrated Circuits (ICs) |
| Manufacturer: | Analog Devices Inc. |
| Short Description: | IC SUPERVISOR RST 2.63V SOT-143Supervisor Push-Pul... |
| More Detail: | N/A |
| DataSheet: | ADM811RARTZ-REEL7 Datasheet/PDF |
| Quantity: | 1000 |
| Series: | ADM811 |
| Packaging: | Tape & Reel (TR) |
| Part Status: | Active |
| Type: | Simple Reset/Power-On Reset |
| Number of Voltages Monitored: | 1 |
| Output: | Push-Pull, Totem Pole |
| Reset: | Active Low |
| Reset Timeout: | 140 ms Minimum |
| Voltage - Threshold: | 2.63V |
| Operating Temperature: | -40°C ~ 85°C (TA) |
| Mounting Type: | Surface Mount |
| Package / Case: | TO-253-4, TO-253AA |
| Supplier Device Package: | SOT-143-4 |
| Base Part Number: | ADM811RARTZ-REEL7 |
Due to market price fluctuations,if you need to purchase or consult the price.You can contact us or emial to us: sales@allicdata.com
1. Description
ADM811RARTZ-REEL7 are reliable voltage monitoring equipment Suitable for most voltage monitoring applications. This ADM811 / ADM812 is designed to monitor six different voltages, Each allowable standard PSU voltage is reduced by 5% or 10% Before resetting. These voltages have been selected for Effectively monitor 2.5 V, 3 V, 3.3 V and 5 V power supply voltages Level. The circuit includes a debounced manual reset input. The reset can be activated using an electronic switch (or input) From another digital device) or power quality is degraded Voltage. The manual reset function is very useful, especially in The circuit where ADM811/ADM812 works Enter a state that can only be detected by the user. allow User resetting the system manually can reduce damage or Otherwise it may be dangerous due to uncontrollable Or lock the system
2. FEATURES
1. Superior upgrade for MAX811/MAX812
2. Specified over temperature
3. Low power consumption: 5 μA typical
4. Precision voltage monitor: 2.5 V, 3 V, 3.3 V, 5 V options
5. Reset assertion down to 1 VCC
6. Power-on reset: 140 ms minimum
7. Logic low RESET output (ADM811)
8. Logic high RESET output (ADM812)
9. Built-in manual reset
3. APPLICATIONS
1. Microprocessor systems
2. Controllers
3. Intelligent instruments
4. Automotive systems
5. Safety systems
6. Portable instruments
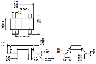
4. Pin configuration

5. OUTLINE DIMENSIONS

| Part Number | Manufacturer | Price | Quantity | Description |
|---|
| ADM803RAKSZ-REEL | Analog Devic... | 0.0 $ | 1000 | IC SUPERVISOR MPU 2.63V S... |
| ADM8693ANZ | Analog Devic... | 0.0 $ | 1000 | IC SUPERVSR MPU 4.4V ADJ ... |
| ADM8691ARUZ | Analog Devic... | 0.0 $ | 1000 | IC SUPERVSR MPU 4.65V ADJ... |
| ADM809MAKS-REEL7 | Analog Devic... | 0.0 $ | 1000 | IC SUPERVISOR P/P 4.38V S... |
| ADM812ZART-REEL7 | Analog Devic... | 0.0 $ | 1000 | IC SUPERVSR W/RESET 2.32V... |
| ADM803RAKSZ-REEL7 | Analog Devic... | -- | 1000 | IC SUPERVISOR MPU 2.63V S... |
| ADM8611N293ACBZ-R7 | Analog Devic... | 0.34 $ | 1000 | IC, RESET ONLY ULP SUPERV... |
| ADM809-5SAKSZ-RL7 | Analog Devic... | 0.6 $ | 1000 | IC SUPERVISOR MPU 2.93V S... |
| ADM8615-EVALZ | Analog Devic... | 38.59 $ | 1 | EVAL BOARD FOR ADM8615ADM... |
| ADM803SAKS-REEL7 | Analog Devic... | 0.0 $ | 1000 | IC SUPERVISOR MPU 2.93V S... |
| ADM810ZART-REEL7 | Analog Devic... | 0.0 $ | 1000 | IC SUPERVSR PUSHPULL 2.32... |
| ADM812LART-REEL | Analog Devic... | 0.0 $ | 1000 | IC SUPERVSR W/RESET 4.63V... |
| ADM810ZAKS-REEL7 | Analog Devic... | 0.0 $ | 1000 | IC SUPERVISOR P/P 2.32V S... |
| ADM8699ANZ | Analog Devic... | 0.0 $ | 1000 | IC SUPERVISOR MPU 4.65V 8... |
| ADM809SARTZ-REEL7 | Analog Devic... | -- | 12000 | IC SUPERVSR PUSHPULL 2.93... |
| ADM810ZAKSZ-REEL7 | Analog Devic... | 0.0 $ | 1000 | IC SUPERVISOR P/P 2.32V S... |
| ADM812RART-REEL7 | Analog Devic... | 0.0 $ | 1000 | IC SUPERVSR W/RESET 2.63V... |
| ADM810SAKSZ-REEL | Analog Devic... | 0.0 $ | 1000 | IC SUPERVISOR MPU 2.93V S... |
| ADM8699ARW-REEL | Analog Devic... | 0.0 $ | 1000 | IC SUPERVISOR MPU 4.65V 1... |
| ADM8616TCYAKSZ-RL7 | Analog Devic... | 0.0 $ | 1000 | IC SUPERVISOR WATCHDOG LV... |
| ADM8617YAYAKSZ-RL7 | Analog Devic... | 0.0 $ | 1000 | IC SUPERVISOR WATCHDOG SC... |
| ADM8839ACPZ-REEL7 | Analog Devic... | 0.0 $ | 1000 | IC CHARGE PUMP REG TFT 20... |
| ADM811RARTZ-REEL7 | Analog Devic... | -- | 1000 | IC SUPERVISOR RST 2.63V S... |
| ADM812LARTZ-REEL | Analog Devic... | 0.0 $ | 1000 | IC SUPERVISOR RESET 4.63V... |
| ADM823ZYKSZ-R7 | Analog Devic... | -- | 3000 | IC SUPERVISOR W/RESET SC7... |
| ADM809RARTZ-REEL7 | Analog Devic... | -- | 1000 | IC SUPERVISOR MPU 2.63V S... |
| ADM8616LCYAKSZ-RL7 | Analog Devic... | 0.85 $ | 1000 | IC SUPERVISOR WATCHDOG LV... |
| ADM8321WAW30ARJZR7 | Analog Devic... | 0.74 $ | 1000 | SUPERVISORY CIRCUIT WITH ... |
| ADM809JARTZ-REEL | Analog Devic... | 0.0 $ | 1000 | IC SUPERVISOR MPU 4.0V SO... |
| ADM8691ARW-REEL | Analog Devic... | 0.0 $ | 1000 | IC SUPERVSR MPU 4.65V ADJ... |
| ADM8695ARWZ | Analog Devic... | -- | 141 | IC SUPERVSR MPU 4.65V ADJ... |
| ADM8843ACPZ-REEL7 | Analog Devic... | -- | 1000 | IC LED DRIVER RGLTR DIM 1... |
| ADM809RAKS-REEL7 | Analog Devic... | 0.0 $ | 1000 | IC SUPERVISOR P/P 2.63V S... |
| ADM8843EB-EVALZ | Analog Devic... | 104.64 $ | 3 | BOARD EVAL ADM8843ADM8843... |
| ADM8616ZCYAKSZ-RL7 | Analog Devic... | 0.0 $ | 1000 | IC SUPERVISOR WATCHDOG LV... |
| ADM8316WDZ30ARJZR7 | Analog Devic... | 0.64 $ | 1000 | SUPERVISORY CIRCUIT WITH ... |
| ADM8322WC26ARJZR7 | Analog Devic... | 0.64 $ | 1000 | SUPERVISORY CIRCUIT WITH ... |
| ADM8319WB31ARJZR7 | Analog Devic... | 0.64 $ | 1000 | IC SUPERVISOR WATCHDOG SO... |
| ADM812RART-REEL | Analog Devic... | 0.0 $ | 1000 | IC SUPERVSR W/RESET 2.63V... |
| ADM8611N263ACBZ-R7 | Analog Devic... | 0.39 $ | 1000 | IC SUPERVISOR WATCHDOG LV... |
IC BATTERY BACKUPSupervisor Channel
VOLTAGE DETECTORSupervisor Open Drain or...
IC VOLT DETECTOR TO-92-3Supervisor Open ...
IC VOLT DETECTOR TO-92-3Supervisor Push-...
IC SUPERVISOR MPU 4.65V WD 8SOICSupervis...
IC SUPERVISOR 2.9V 4-USPSupervisor Open ...
ADM811RARTZ-REEL7 Datasheet/PDF