| Allicdata Part #: | 296-22739-2-ND |
| Manufacturer Part#: |
BQ24103ARHLR |
| Price: | $ 1.20 |
| Product Category: | Integrated Circuits (ICs) |
| Manufacturer: | Texas Instruments |
| Short Description: | IC BATT CHARGER LI-ION 20QFNCharger IC Lithium-Ion... |
| More Detail: | N/A |
| DataSheet: | BQ24103ARHLR Datasheet/PDF |
| Quantity: | 9600 |
| 1 +: | $ 1.20000 |
| 10 +: | $ 1.16400 |
| 100 +: | $ 1.14000 |
| 1000 +: | $ 1.11600 |
| 10000 +: | $ 1.08000 |
| Series: | bqSWITCHER™ |
| Packaging: | Tape & Reel (TR) |
| Part Status: | Active |
| Battery Chemistry: | Lithium-Ion/Polymer |
| Number of Cells: | 1 ~ 2 |
| Current - Charging: | Constant - Programmable |
| Programmable Features: | Current, Timer |
| Fault Protection: | Over Temperature, Over Voltage |
| Charge Current - Max: | 2A |
| Battery Pack Voltage: | 8.4V |
| Voltage - Supply (Max): | 16V |
| Interface: | -- |
| Operating Temperature: | -40°C ~ 85°C (TA) |
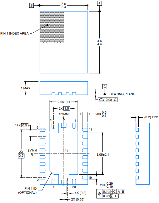
| Package / Case: | 20-VFQFN Exposed Pad |
| Supplier Device Package: | 20-VQFN (3.5x4.5) |
| Base Part Number: | BQ24103 |
Due to market price fluctuations,if you need to purchase or consult the price.You can contact us or emial to us: sales@allicdata.com
1. Description
The bqSWITCHER™ series are highly integrated Li-ion and Li-polymer switch-mode charge management devices targeted at a wide range of portable applications. The bqSWITCHER™ series offers integrated synchronous PWM controller and power FETs,high-accuracy current and voltage regulation,charge preconditioning, charge status, and charge termination, in a small, thermally enhanced VQFN package. The system-controlled version provides additional inputs for full charge management under system control.
The bqSWITCHER™ charges the battery in three phases: conditioning, constant current, and constant voltage. Charge is terminated based on user-selectable minimum current level. A programmable charge timer provides a safety backup for charge termination. The bqSWITCHER™ automatically restarts the charge cycle if the battery voltage falls below an internal threshold. The bqSWITCHER™ automatically enters sleep mode when VCC supply is removed.
2. Features
1. Ideal For Highly Efficient Charger Designs For Single-, Two-, or Three-Cell Li-Ion and Li-Polymer Battery Packs
2. bq24105 Also for LiFePO4 Battery (see Using bq24105 to Charge the LiFePO4 Battery)
3. Integrated Synchronous Fixed-Frequency PWM Controller Operating at 1.1 MHz With 0% to 100% Duty Cycle
4. Integrated Power FETs for Up To 2-A Charge Rate
5. High-Accuracy Voltage and Current Regulation
6. Available in Both Stand-Alone (Built-In Charge Management and Control) and System-Controlled (Under System Command) Versions
7. Status Outputs for LED or Host Processor Interface Indicates Charge-In-Progress, Charge Completion, Fault, and AC-Adapter Present Conditions
8. 20-V Maximum Voltage Rating on IN and OUT Pins
9. High-Side Battery Current Sensing
10. Battery Temperature Monitoring
11. Automatic Sleep Mode for Low Power Consumption
12. System-Controlled Version Can Be Used in NiMH and NiCd Applications
13. Reverse Leakage Protection Prevents Battery Drainage
14. Thermal Shutdown and Protection
15. Built-In Battery Detection
16. Available in 20-Pin, 3.50 mm × 4.50 mm VQFN Package
3. Applications
1. Handheld Products
2. Portable Media Players
3. Industrial and Medical Equipment
4. Portable Equipment
4. Pin Configuration

5. Pin Functions

6. Package overview

| Part Number | Manufacturer | Price | Quantity | Description |
|---|
| BQ24304DSGR | Texas Instru... | 0.0 $ | 1000 | IC LI+ CHARGER FRONT END ... |
| BQ24270RGET | Texas Instru... | 1.92 $ | 250 | IC BATT CHARGER LI-ION 24... |
| BQ24003PWP | Texas Instru... | 3.23 $ | 140 | IC BATT CHRGR LITH-ION 20... |
| BQ24401PWR | Texas Instru... | 1.25 $ | 1000 | IC CHARGE MGMT NICD/NIMH ... |
| BQ24901PW | Texas Instru... | 0.0 $ | 1000 | IC LI-ION/LI-POL CHARGER ... |
| BQ24086EVM | Texas Instru... | 71.96 $ | 2 | EVAL MODULE FOR BQ24086EV... |
| BQ24160EVM-721 | Texas Instru... | 71.96 $ | 1 | EVAL MODULE FOR BQ24160-7... |
| BQ24133RGYR | Texas Instru... | -- | 9000 | IC BATT CHARGE LI-ION/POL... |
| BQ24295RGET | Texas Instru... | 1.11 $ | 7000 | IC LI+ CHARGER PWR MGMT 2... |
| BQ24003RGWR | Texas Instru... | 0.0 $ | 1000 | IC LI-ION CHARGE MGMT 20V... |
| BQ24076EVM-015 | Texas Instru... | 71.96 $ | 4 | EVAL BOARD FOR BQ24076BQ2... |
| BQ24100EVM | Texas Instru... | 35.62 $ | 7 | EVALUATION MODULE FOR BQ2... |
| BQ24705EVM | Texas Instru... | 0.0 $ | 1000 | BQ24705EVMBQ24705 Battery... |
| BQ24103ARHLR | Texas Instru... | -- | 9600 | IC BATT CHARGER LI-ION 20... |
| BQ24618RGET | Texas Instru... | -- | 250 | IC SYNC SW-MODE BAT CHRGR... |
| BQ24192IRGET | Texas Instru... | 1.95 $ | 500 | IC USB/ADAPTER CHARGR I2C... |
| BQ24185YFFR | Texas Instru... | 0.98 $ | 1000 | IC LI-ION CHARGE MGMT 25D... |
| BQ24150AYFFT | Texas Instru... | 1.38 $ | 1000 | IC LI-ION CHARGE MGMT 20D... |
| BQ24201DGNRG4 | Texas Instru... | 0.0 $ | 1000 | IC LI-ION CHGR 500MA 4.1V... |
| BQ24079TRGTR | Texas Instru... | -- | 1000 | IC LI-ION CHARGE/PWR MGMT... |
| BQ24020DRCRG4 | Texas Instru... | -- | 1000 | IC LI-ON LINEAR CHRG MGMT... |
| BQ24156AYFFT | Texas Instru... | 1.46 $ | 1000 | IC LI-ION CHARGER MGMT 20... |
| BQ24381EVM | Texas Instru... | 35.62 $ | 6 | EVALUATION MODULE FOR BQ2... |
| BQ24085EVM | Texas Instru... | 35.62 $ | 1 | EVAL MODULE FOR BQ24085EV... |
| BQ24196RGER | Texas Instru... | -- | 1000 | IC BATT CHARGE MGMT 24VQF... |
| BQ24202DGNR | Texas Instru... | -- | 1000 | IC LI-ION CHGR 500MA 4.2V... |
| BQ24006PWPG4 | Texas Instru... | 2.98 $ | 1000 | IC LI-ION CHARGE MGMT 20-... |
| BQ24055DSSR | Texas Instru... | 0.0 $ | 1000 | IC LI-ION CHRG 800MA 4.2V... |
| BQ24040DSQT | Texas Instru... | -- | 1000 | IC BATT CHG LI-ION 1 CELL... |
| BQ24617RGER | Texas Instru... | -- | 1000 | IC SYNC SW-MODE BAT CHRGR... |
| BQ24155RGYT | Texas Instru... | 0.62 $ | 1000 | IC LI-ION CHARGE MGMT 14V... |
| BQ24159YFFR | Texas Instru... | 0.92 $ | 1000 | IC CHARGE MGMT LI-ION 20D... |
| BQ24296MRGET | Texas Instru... | 1.04 $ | 1000 | IC LI ION CHARGER 24VQFNC... |
| BQ24272RGER | Texas Instru... | -- | 1000 | IC BATT CHRGR LI-ION 24VQ... |
| BQ24250CYFFT | Texas Instru... | 3.54 $ | 863 | IC BATT CHARGER LI-ION 30... |
| BQ24253RGER | Texas Instru... | -- | 1000 | IC BATT CHARGER LI-ION 24... |
| BQ24161RGET | Texas Instru... | 2.53 $ | 1000 | IC BATT CHRG MGMT LI-ION ... |
| BQ24270RGER | Texas Instru... | 1.23 $ | 1000 | IC BATT CHARGER LI-ION 24... |
| BQ24203DGNG4 | Texas Instru... | 1.31 $ | 1000 | IC LI-ION CHGR 500MA 4.1V... |
| BQ24007PWPG4 | Texas Instru... | 0.0 $ | 1000 | IC LI-ION CHARGE MGMT 20-... |
IC REGULATORCharger IC 36-QFN (5x6)
IC CHRGR LI-ION/LI SGL 10-DFNCharger IC ...
IC BATT CHRGR LI-ION 10-DFNCharger IC Li...
IC LITH-ION FAST CHARGER 16-DIPCharger I...
IC USB POWER MANAGER 10-DFNCharger IC Li...
IC BATT CHRG MGMT LI-ION 24VQFNCharger I...
BQ24103ARHLR Datasheet/PDF