NTJD5121NT1G Discrete Semiconductor Products |
|
| Allicdata Part #: | NTJD5121NT1GOSTR-ND |
| Manufacturer Part#: |
NTJD5121NT1G |
| Price: | $ 0.06 |
| Product Category: | Discrete Semiconductor Products |
| Manufacturer: | ON Semiconductor |
| Short Description: | MOSFET 2N-CH 60V 0.295A SOT363Mosfet Array 2 N-Cha... |
| More Detail: | N/A |
| DataSheet: | NTJD5121NT1G Datasheet/PDF |
| Quantity: | 8335 |
| 1 +: | $ 0.06400 |
| 10 +: | $ 0.06208 |
| 100 +: | $ 0.06080 |
| 1000 +: | $ 0.05952 |
| 10000 +: | $ 0.05760 |
| Series: | NTJD |
| Packaging: | Tape & Reel (TR) |
| Part Status: | Active |
| FET Type: | 2 N-Channel (Dual) |
| FET Feature: | Logic Level Gate |
| Drain to Source Voltage (Vdss): | 60V |
| Current - Continuous Drain (Id) @ 25°C: | 295mA |
| Rds On (Max) @ Id, Vgs: | 1.6 Ohm @ 500mA, 10V |
| Vgs(th) (Max) @ Id: | 2.5V @ 250µA |
| Gate Charge (Qg) (Max) @ Vgs: | 0.9nC @ 4.5V |
| Input Capacitance (Ciss) (Max) @ Vds: | 26pF @ 20V |
| Power - Max: | 250mW |
| Operating Temperature: | -55°C ~ 150°C (TJ) |
| Mounting Type: | Surface Mount |
| Package / Case: | 6-TSSOP, SC-88, SOT-363 |
| Supplier Device Package: | SC-88/SC70-6/SOT-363 |
| Base Part Number: | NTJD5121N |
Features
• Low RDS(on)
• Low Gate Threshold
• Low Input Capacitance
• ESD Protected Gate
• NV Prefix for Automotive and Other Applications Requiring Unique Site and Control Change Requirements; AEC−Q101 Qualified and PPAP Capable
• This is a Pb−Free Device

Applications
• Low Side Load Switch
• DC−DC Converters (Buck and Boost Circuits)



NOTES:
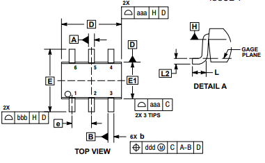
1. DIMENSIONING AND TOLERANCING PER ASME Y14.5M, 1994.
2. CONTROLLING DIMENSION: MILLIMETERS.
3. DIMENSIONS D AND E1 DO NOT INCLUDE MOLD FLASH,PROTRUSIONS, OR GATE BURRS. MOLD FLASH, PROTRUSIONS, OR GATE BURRS SHALL NOT EXCEED 0.20 PER END.
4. DIMENSIONS D AND E1 AT THE OUTERMOST EXTREMES OF THE PLASTIC BODY AND DATUM H.
5. DATUMS A AND B ARE DETERMINED AT DATUM H.
6. DIMENSIONS b AND c APPLY TO THE FLAT SECTION OF THE LEAD BETWEEN 0.08 AND 0.15 FROM THE TIP.
7. DIMENSION b DOES NOT INCLUDE DAMBAR PROTRUSION.
ALLOWABLE DAMBAR PROTRUSION SHALL BE 0.08 TOTAL IN EXCESS OF DIMENSION b AT MAXIMUM MATERIAL CONDITION. THE DAMBAR CANNOT BE LOCATED ON THE LOWER RADIUS OF THE FOOT
| Part Number | Manufacturer | Price | Quantity | Description |
|---|
| NTJD4001NT1 | ON Semicondu... | 0.0 $ | 1000 | MOSFET 2N-CH 30V 0.25A SO... |
| NTJD2152PT4 | ON Semicondu... | 0.0 $ | 1000 | MOSFET 2P-CH 8V 0.775A SO... |
| NTJD4152PT2G | ON Semicondu... | 0.08 $ | 1000 | MOSFET 2P-CH 20V 0.88A SC... |
| NTJD4401NT1G | ON Semicondu... | 0.08 $ | 6000 | MOSFET 2N-CH 20V 0.63A SO... |
| NTJD4401NT4 | ON Semicondu... | 0.0 $ | 1000 | MOSFET 2N-CH 20V 0.63A SO... |
| NTJD4105CT2G | ON Semicondu... | -- | 1000 | MOSFET N/P-CH 20V/8V SOT-... |
| NTJD4105CT4G | ON Semicondu... | 0.0 $ | 1000 | MOSFET N/P-CH 20V/8V SOT-... |
| NTJD3158CT2G | ON Semicondu... | 0.0 $ | 1000 | MOSFET N/P-CH 20V SC88-6M... |
| NTJD2152PT2 | ON Semicondu... | 0.0 $ | 1000 | MOSFET 2P-CH 8V 0.775A SO... |
| NTJD4401NT2G | ON Semicondu... | 0.0 $ | 1000 | MOSFET 2N-CH 20V 0.63A SO... |
| NTJD2152PT1G | ON Semicondu... | -- | 1000 | MOSFET 2P-CH 8V 0.775A SO... |
| NTJD4105CT2 | ON Semicondu... | 0.0 $ | 1000 | MOSFET N/P-CH 20V/8V SOT-... |
| NTJD4001NT1G | ON Semicondu... | -- | 27000 | MOSFET 2N-CH 30V 0.25A SO... |
| NTJD4152PT1 | ON Semicondu... | 0.0 $ | 1000 | MOSFET 2P-CH 20V 0.88A SO... |
| NTJD4401NT1 | ON Semicondu... | 0.0 $ | 1000 | MOSFET 2N-CH 20V 0.63A SO... |
| NTJD4158CT2G | ON Semicondu... | -- | 1000 | MOSFET N/P-CH 30V/20V SC8... |
| NTJD4401NT4G | ON Semicondu... | 0.0 $ | 1000 | MOSFET 2N-CH 20V 0.63A SO... |
| NTJD4105CT1G | ON Semicondu... | 0.08 $ | 1000 | MOSFET N/P-CH 20V/8V SOT-... |
| NTJD4001NT2G | ON Semicondu... | 0.0 $ | 1000 | MOSFET 2N-CH 30V 0.25A SO... |
| NTJD4158CT1G | ON Semicondu... | 0.09 $ | 1000 | MOSFET N/P-CH 30V/20V SOT... |
| NTJD4152PT1G | ON Semicondu... | -- | 6000 | MOSFET 2P-CH 20V 0.88A SO... |
| NTJD2152PT1 | ON Semicondu... | 0.0 $ | 1000 | MOSFET 2P-CH 8V 0.775A SO... |
| NTJD2152PT2G | ON Semicondu... | 0.0 $ | 1000 | MOSFET 2P-CH 8V 0.775A SO... |
| NTJD4105CT4 | ON Semicondu... | 0.0 $ | 1000 | MOSFET N/P-CH 20V/8V SOT-... |
| NTJD2152PT4G | ON Semicondu... | 0.0 $ | 1000 | MOSFET 2P-CH 8V 0.775A SO... |
| NTJD1155LT1G | ON Semicondu... | -- | 1000 | MOSFET N/P-CH 8V 1.3A SOT... |
| NTJD1155LT1 | ON Semicondu... | -- | 1000 | MOSFET N/P-CH 8V 1.3A SOT... |
| NTJD5121NT1G | ON Semicondu... | -- | 8335 | MOSFET 2N-CH 60V 0.295A S... |
| NTJD5121NT2G | ON Semicondu... | 0.06 $ | 1000 | MOSFET 2N-CH 60V 0.295A S... |
MOSFET 2N-CH 30V 8AMosfet Array 2 N-Chan...
MOSFET 2N-CH 40V 6A 8PWRPAKMosfet Array ...
MOSFET 2P-CH 30V 5.8A 8SOICMosfet Array ...
MOSFET 2N-CH 80V 1.1A 8SOICMosfet Array ...
MOSFET 2N-CH 56LFPAKMosfet Array
MOSFET 2N-CH 30V 8SOICMosfet Array 2 N-C...
NTJD5121NT1G Datasheet/PDF