NJVMJB45H11T4G Discrete Semiconductor Products |
|
| Allicdata Part #: | NJVMJB45H11T4GOSTR-ND |
| Manufacturer Part#: |
NJVMJB45H11T4G |
| Price: | $ 0.00 |
| Product Category: | Discrete Semiconductor Products |
| Manufacturer: | ON Semiconductor |
| Short Description: | TRANS PNP 80V 10A D2PAK-3Bipolar (BJT) Transistor ... |
| More Detail: | N/A |
| DataSheet: | NJVMJB45H11T4G Datasheet/PDF |
| Quantity: | 8000 |
| Series: | MJB45H11 |
| Packaging: | Tape & Reel (TR) |
| FET Type: | -- |
| Part Status: | Active |
| Technology: | Si |
| Transistor Type: | PNP |
| Drain to Source Voltage (Vdss): | -- |
| Current - Collector (Ic) (Max): | 10A |
| Current - Continuous Drain (Id) @ 25°C: | -- |
| Voltage - Collector Emitter Breakdown (Max): | 80V |
| Drive Voltage (Max Rds On, Min Rds On): | -- |
| Vce Saturation (Max) @ Ib, Ic: | 1V @ 400mA, 8A |
| Rds On (Max) @ Id, Vgs: | -- |
| Current - Collector Cutoff (Max): | 10µA |
| Vgs(th) (Max) @ Id: | -- |
| DC Current Gain (hFE) (Min) @ Ic, Vce: | 40 @ 4A, 1V |
| Gate Charge (Qg) (Max) @ Vgs: | -- |
| Power - Max: | 2W |
| Vgs (Max): | -- |
| Frequency - Transition: | 40MHz |
| Input Capacitance (Ciss) (Max) @ Vds: | -- |
| Operating Temperature: | -55°C ~ 150°C (TJ) |
| FET Feature: | -- |
| Mounting Type: | Surface Mount |
| Power Dissipation (Max): | -- |
| Package / Case: | TO-263-3, D²Pak (2 Leads + Tab), TO-263AB |
| Supplier Device Package: | D2PAK |
| Base Part Number: | MJB45H11 |
Due to market price fluctuations,if you need to purchase or consult the price.You can contact us or emial to us: sales@allicdata.com
1. Describe
Complementary power transistors for universal power supplies Amplification and switching, such as output or driver stage Applications such as switching regulators, converters, and power supplies Amplifier.
2. Feature
1. Low collector-emitter saturation voltage − VCE(sat) = 1.0 V (maximum) @ 8.0 A
2. Fast switching speed
3. Complementary pairs simplify design
4. Epoxy resin meets UL 94 V−0 @ 0.125 in
5. ESD rating: human body model, 3B> 8000 V machine model, C> 400 V
6. NJV prefix, suitable for automotive and other applications that require unique site and control change requirements; AEC-Q101 qualification and PPAP capability
7. Provide lead-free packaging
3. Electrical characteristics

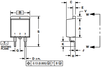
4. Package dimensions

| Part Number | Manufacturer | Price | Quantity | Description |
|---|
| NJVMJB45H11T4G | ON Semicondu... | -- | 8000 | TRANS PNP 80V 10A D2PAK-3... |
| NJVMJD45H11D3T4G | ON Semicondu... | 4.27 $ | 1000 | IC TRANS PNP 80V 8A DPAK-... |
| NJVMJD127T4G | ON Semicondu... | 0.23 $ | 1000 | IC TRANS PNP 8A 100V DPAK... |
| NJVMJD45H11T4G-VF01 | ON Semicondu... | 0.25 $ | 1000 | TRANS PNP 80V 8A DPAK-4Bi... |
| NJVMJD44H11RLG-VF01 | ON Semicondu... | 0.23 $ | 1000 | TRANS NPN 80V 8A DPAK-4Bi... |
| NJVMJD47T4G | ON Semicondu... | 0.16 $ | 2500 | TRANS NPN 250V 1A DPAK-4B... |
| NJVMJD41CT4G-VF01 | ON Semicondu... | 0.27 $ | 2500 | TRANS NPN 100V 6A DPAK-4B... |
| NJVMJD50T4G | ON Semicondu... | 0.16 $ | 2500 | TRANS NPN 400V 1A DPAK-4B... |
| NJVMJD340T4G-VF01 | ON Semicondu... | 0.2 $ | 1000 | TRANS NPN 300V 0.5A DPAK-... |
| NJVMJD32T4G | ON Semicondu... | 0.18 $ | 1000 | TRANS PNP 40V 3A DPAK-4Bi... |
| NJVMJD44H11D3T4G | ON Semicondu... | 4.27 $ | 1000 | IC TRANS NPN 80V 8A DPAK-... |
| NJVMJB42CT4G | ON Semicondu... | 0.6 $ | 1000 | TRANS PNP 100V 6A D2PAK-3... |
| NJVMJD45H11RLG-VF01 | ON Semicondu... | 0.29 $ | 1000 | TRANS PNP 80V 8A DPAK-4Bi... |
| NJVMJD42CT4G-VF01 | ON Semicondu... | 0.0 $ | 1000 | TRANS PNP 100V 6A DPAK-4B... |
| NJVMJB44H11T4G | ON Semicondu... | -- | 1000 | TRANS NPN 80V 10A D2PAK-3... |
| NJVMJD31CG | ON Semicondu... | 0.46 $ | 1875 | TRANS NPN 100V 3A DPAK-4B... |
| NJVMJD2955T4G | ON Semicondu... | 0.15 $ | 1000 | TRANS PNP 60V 10A DPAK-4B... |
| NJVMJD3055T4G | ON Semicondu... | 0.29 $ | 1000 | TRANS NPN 60V 10A DPAK-4B... |
| NJVMJD31T4G | ON Semicondu... | 0.18 $ | 1000 | TRANS NPN 40V 3A DPAKBipo... |
| NJVMJD44H11T4G-VF01 | ON Semicondu... | 0.26 $ | 2500 | TRANS NPN 80V 8A DPAK-4Bi... |
| NJVMJD253T4G-VF01 | ON Semicondu... | 0.22 $ | 1000 | TRANS PNP 100V 4A DPAKBip... |
| NJVMJD148T4G-VF01 | ON Semicondu... | 0.0 $ | 1000 | TRANS NPN 45V 4A DPAK-4Bi... |
| NJVMJD112G | ON Semicondu... | 0.27 $ | 1000 | TRANS NPN DARL 100V 2A DP... |
| NJVMJD44E3T4G | ON Semicondu... | 0.26 $ | 1000 | TRANS NPN DARL 80V 10A DP... |
| NJVMJD128T4G | ON Semicondu... | 0.16 $ | 2500 | TRANS PNP DARL 120V 8A DP... |
| NJVMJD31CRLG | ON Semicondu... | 0.2 $ | 1000 | TRANS NPN 100V 3A DPAK-4B... |
| NJVMJD45H11G | ON Semicondu... | 0.67 $ | 1271 | TRANS PNP 50V 8A DPAK-4Bi... |
| NJVMJD6039T4G | ON Semicondu... | 0.23 $ | 1000 | TRANS NPN DARL 80V 4A DPA... |
| NJVMJD44H11G | ON Semicondu... | 0.67 $ | 1070 | TRANS NPN 80V 8A DPAK-4Bi... |
| NJVMJD122T4G-VF01 | ON Semicondu... | 0.19 $ | 2500 | TRANS NPN DARL 100V 8A DP... |
| NJVMJD32CG | ON Semicondu... | 0.46 $ | 945 | TRANS PNP 100V 3A DPAK-4B... |
| NJVMJD32CT4G-VF01 | ON Semicondu... | 0.18 $ | 1000 | TRANS PNP 100V 3A DPAKBip... |
| NJVMJD42CRLG | ON Semicondu... | 0.32 $ | 1000 | TRANS PNP 100V 6A DPAK-4B... |
| NJVMJD31CT4G-VF01 | ON Semicondu... | 0.18 $ | 1000 | TRANS NPN 100V 3A DPAKBip... |
| NJVMJD350T4G | ON Semicondu... | 0.18 $ | 2500 | TRANS PNP 300V 0.5A DPAK-... |
| NJVMJB41CT4G | ON Semicondu... | 0.5 $ | 800 | TRANS NPN 100V 6A D2PAK-3... |
| NJVMJD112T4G | ON Semicondu... | 0.22 $ | 1000 | TRANS NPN DARL 100V 2A DP... |
| NJVMJD243T4G | ON Semicondu... | 0.22 $ | 2500 | TRANS NPN 100V 4A DPAK-4B... |
| NJVMJD210T4G | ON Semicondu... | 0.2 $ | 1000 | TRANS PNP 25V 5A DPAK-4Bi... |
| NJVMJD117T4G | ON Semicondu... | 0.23 $ | 1000 | TRANS PNP DARL 100V 2A DP... |
GENERAL-PURPOSE TRANSISTORBipolar (BJT) ...
TRANS PNP DARL 30A 120V DIEBipolar (BJT)...
TRANS PNP DARLINGTON DIEBipolar (BJT) Tr...
TRANS GENERAL PURPOSE TO-218Bipolar (BJT...
TRANS PNP 140V 1ABipolar (BJT) Transisto...
TRANS NPN 700V 3A I2PAKBipolar (BJT) Tra...
NJVMJB45H11T4G Datasheet/PDF